ADA Zenith Built-In Shower with Handheld
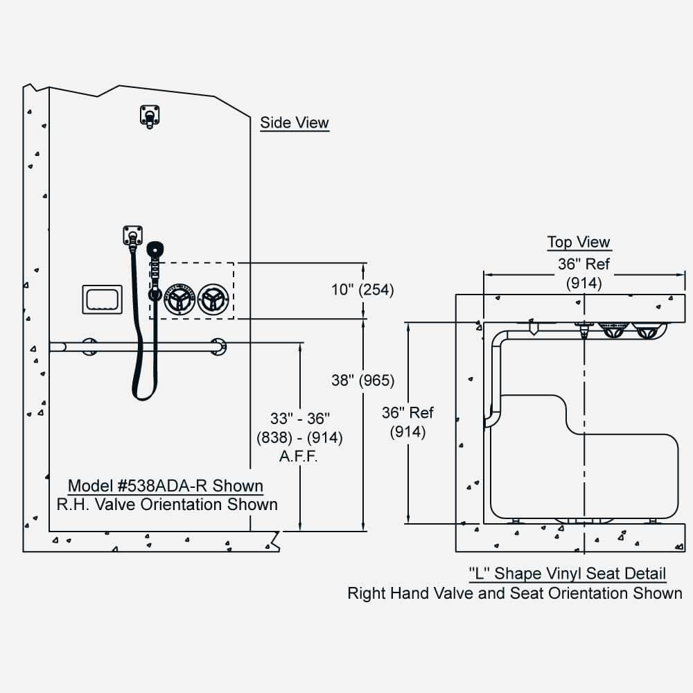
The shower is designed to be installed on a finished wall from the front. It includes as standard equipment: Control Valve, Flanged Fixed Upper Showerhead, Handheld Shower and Hose, Diverter Valve, Recessed Soap Dish, two-wall stainless steel Grab Bar and 1103 series Padded Vinyl Folding Seat. When installed properly and in accordance with all Shower Stall Type requirements, the unit will comply with 2010 ADA Standards and CBC (California Title 24) 2019 Access Compliance Reference Manual with DSA Access Compliance Code Cycle Supplement effective July 1, 2021. Controls should be located on the wall in accordance with the shower stall type and configuration. Refer to applicable Accessibility Guidelines for complete details.
When Option CSH-WSB is specified, the showerhead is designed to meet the needs for ligature resistance and water conservation.
Disclaimers: This product with the CSH-WSA option only is designed to decrease the probability that it may be utilized as an apparatus for ligature. It is not a replacement for professionals who are trained in the proper evaluation, management, and supervision of persons at risk of suicide. Other Ligature-Resistant components are necessary including but not limited to shower valves. The showerhead as provided has been certified to meet EPA WaterSense Criteria. The nozzle is removable for cleaning purposes only.
Downloads
Specifications
| Brand | Shower-Ware®, Acorn ConTrols® Inside |
| Mounting | Built-In |
| Vandal Resistant | Moderate |
| Institutional Applications | Hospital & Treatment Centers, Educational Building, Train Station & Airports, Other Institutional Buildings |
| Commercial Applications | Stadium & Arena |
| Park and Recreation Applications | Yes |
| Accessibility | ADA Compliant, Calif Title 24 |
Options
Accessories
Image | Model | Description | Downloads | |
|---|---|---|---|---|
![]() | HL | Accessory: Hi - Lo Mounting Brackets for Shower |
Miscellaneous
Image | Model | Description | Downloads | |
|---|---|---|---|---|
![]() | A | Anchor Plate | ||
![]() | B (Shower) | Option: Back Plate for Shower | ||
![]() | BA | Option: Bent Arm Head | ||
![]() | CH | Option: Curtain and Headrail | ||
![]() | CSH | Option: Conical Shower Head | ||
![]() | F2.0 | Option: Flow Control 2.0 GPM | ||
![]() | FH | Option: Fixed Head in Lieu of Handshower | ||
![]() | FSP | Option: Folding Seat, Phenolic (Plastic) in Lieu of Padded | ||
![]() | FSS | Option: Folding Seat, Stainless Steel | ||
![]() | LFS | Option: Less Folding Seat | ||
![]() | LGB (Shower) | Option: Less Grab Bar on Shower | ||
![]() | LRD | Option: Less Recessed Soap Dish | ||
![]() | MSH | Option: Multi-Stream, Ball Joint Shower Head | ||
![]() | P | Option: Penal Shower Head | ||
![]() | QD | Option: Quick Disconnect for Shower | ||
![]() | RP | Option: Reinforced Panel for Folding Seat | ||
![]() | TF | Option: Transformer for AC Power Valve | ||
![]() | Y | Option: Universal Ball Joint | ||
![]() | YY | Option: Lockable Universal Ball Joint |
Models
The model numbers are defined with the valve that is specified for the shower.

Model Number 536ADA
Air-Control Valve, Single Temperature Metering [ install guide ]

Model Number 538ADA
Temperature-Pressure Balancing Mixing Valve with Ligature Resistant Tri-Lever Handle (ASSE 1016 Compliant) Patent No D697.591 and 10,474,170 B2 Valve with Lever Handle also available [ install guide ] 
Model Number 530ADA
Single Temperature Electrical Valve [ install guide ]
Specify: -MTP1, -MTPP1, -EVS1, -EVSP1, -MVC1,-MVC1-CI, -PPZ1





























